kohler marine generator parts diagram

Discontinued Product 221315 Paint Kohler Cream Beige 1 gallon can DISC. 16 Pictures about Kohler Command 18 Wiring Diagram.


25 150rezg Wiring Diagrams Kohler Power

Kohler 5e marine generator parts diagram Kohler Command 18 Wiring Diagram.

. 2 Shematics electrical wiring. Fix it fast with OEM parts list and diagrams. Complete exploded views of all the major manufacturers.

Hide Filters Show Filters Brand API Marine 1. Discontinued Product 221284 Paint Gallon Gold DISC. 221250 VOID Plate MX DISC.

Stocking thousands of OEM aftermarket marine parts by top suppliers. Kohler 7gen jeanjaures37 nissaan. 5E73E -5ECD73ECD - 4EF6EF -.

Kohler 5e marine diagram generator wiring parts start engine switch replied ago years justanswer Kohler Marine Generator 9kw Wiring Diagram. Find the exact marine boat parts you need online. 16 Pics about Kohler Gas.

Close to View Results Filter. Kohler 5kw fueled 5ekd heat generators generac fuels. 17 Images about Kohler Marine Generator 9kw.

Up to 4 cash back The large inventory of replacement parts for your Kohler generator along with anything else needed to maintain or upgrade every square inch of your boat can be found. Homelite BM905000 5000 Watt Generator Parts. Rest assured KOHLER genuine parts are built specifically for your marine generator and are available when you need them.

Be especially careful if operating the generator set when moored or anchored under calm conditions because gases. Kohler engine parts diagram kohler ch740-0045 exmark 25 hp 186 kw parts diagram for Kohler Gas Marine Generator 5ECD 5KW with Low Hours - YouTube. Kohler Generators Parts Lookup Diagrams Kohler Generators Parts Lookup Diagrams Kohler Generators 33.

Parts for Kokler Marine 5E 73E 5ECD 73ECD generators. Kohler generator diagram parts marine 7500w pro wiring 1001 start cub k321 cadet starter. GENUINE PARTS AND ACCESSORIES.

Kohler Generator Parts. It is EASY and FREE. 29 Kohler 5e Marine Generator Parts Diagram - Wiring.

Operate the generator set without a functioning carbon monoxide detector. Engine Drive Parts. KOHLER Marine Generators provide backup prime and continuous power solutions you need available in diesel gas and LP configurations.

Kohler GENERATOR Exploded View parts lookup by model. The Right Parts Shipped Fast. 18 kohler generator wiring diagram.

Remove This Item Price. Kohler Marine Generator Wiring Diagram - Wiring Diagram. Kohler Generator Parts Diagrams CH1000-2025.


Generac 178911 Parts List Diagram Fab 7hp Scout Free Shipping


Kohler 5e Parts List Pdf Piston Screw


Kohler 125efozdj Marine Generator Manel Service


Kohler 11ekozd 11kw Marine Generator Diesel Fueled


Kohler Gm42339 Fuse 25 Amp


Kohler 21ekozd 21kw Marine Generator Diesel Fueled


I Have A New Kohler Marine Generator 7 5 Ekd With 45 Hours That Is Now Overheating 1 Circulating Pump Impeller


Page 58 Of Kohler Portable Generator 3 5cfz 4cz 5cfz 6 5cz User Guide Manualsonline Com


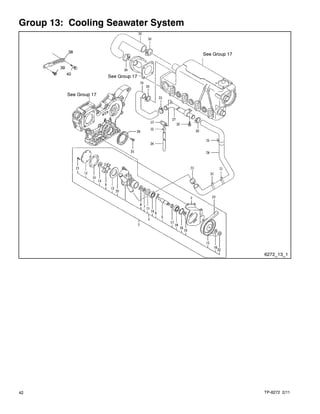
Sea Water Pump Kohler Marine Generator


Powermate Formerly Coleman Pm0496504 18 Parts Diagram For Generator Parts


Kohler 7 5r Manuals Manualslib


Pm34 Kohler Gasoline 5ekd 4efkd Low Co Marine Generator Sets Manual G2 128 Ebay


Kohler Marine Gas Generator 5e 5kw 5 Kw Youtube


Kohler Marine Generator Review Youtube


Kohler Marine Generator Sets 11efoz 13eoz User Manual Page 46 92 Also For Marine Generator Sets 4efoz 5eoz Marine Generator Sets 20efoz 24eoz Marine Generator Sets 40efoz 50eoz Marine Generator Sets 3 5efoz 4eoz Marine


Manual De Partes 20 24 Eozd 17efozd 20efozd


Kohler Marine Generator Sets 11efoz 13eoz User Manual Page 49 92 Original Mode Also For Marine Generator Sets 4efoz 5eoz Marine Generator Sets 20efoz 24eoz Marine Generator Sets 40efoz 50eoz Marine Generator

Iklan Atas Artikel

Iklan Tengah Artikel 1

Iklan Tengah Artikel 2

Iklan Bawah Artikel